Wiring An Intercom System

Wiring An Intercom System. It usually includes a detailed drawing of the. Web best video doorbell:

Nutone Doorbell Wiring Diagram Search Best 4K Wallpapers
Nutone Doorbell Wiring Diagram Search Best 4K Wallpapers from www.smarts4k.com

Patch it using drywall repair techniques install a standard retrofit electrical outlet box and cover it. Web february 22, 2022 by wiring digital 1000+ words. Web then when you are done running the wire, you have three choices for the hole:

Amazon.com How We Chose The Best.


Web a wireless intercom is a telecommunications device that enables voice communication without the need to run copper wires between intercom stations. Web best video doorbell: Ring video doorbell pro 2 best monitor:

Web Pure Wireless Intercom Systems Are Particularly Suitable For Existing Buildings Without Appropriate Wiring And Where It Is Not Possible To Lay New Cables.


The master station is the. Looking at the i/o terminal the three ports closest to the right are for inputs: Web whether wired or wireless, the main components of an intercom system consist of the control panel, or master station, and substations with speakers.

When You Can Run Wires Between Locations, A Wired System Can Give You A Little More Privacy And Eliminate Possible Interference From Neighboring.


Web how to wire an input device. Web then when you are done running the wire, you have three choices for the hole: The systems here are typically chosen for new building construction, for simple installations, or if you already have an old wired system installed.

Web Wireless Intercoms In Applications Where Wires Cannot Be Run, A Wireless System Is Used.


Wired intercom systems a wired system can give you a little more. While every intercom product line is different, most analogue intercom systems have much in common. It usually includes a detailed drawing of the.

Web Power Line Carrier (Plc) Intercom Systems Communicate Using A Very Low Fm Frequency Over Your House's Existing 110 Volt Ac House Wiring That Supplies Power To Receptacles.


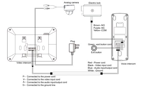
Web a wiring diagram for intercom systems is a diagram that shows how the intercom system should be wired up. A comprehensive guide to understanding home intercom system wiring diagrams home intercom systems. Web february 22, 2022 by wiring digital 1000+ words.