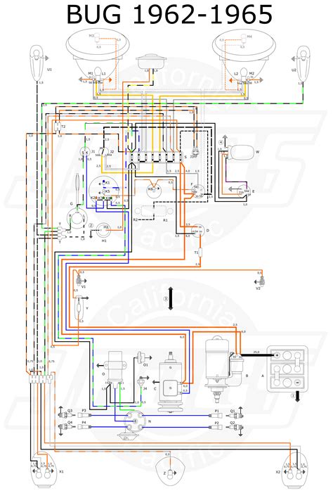
Wiring A Vw Bug

Wiring A Vw Bug. Web wire size conversion table (mm to usa awg) the numbers used in vw wiring diagrams are the cross sectional area of the wires in millimeters (mm) squared (left column below). Web first, we need to discuss a few basics regarding vw wiring.

6d815c63446d30d1e01b3b8b151631d4.jpg 1,200×1,200 ピクセル Vw super beetle
6d815c63446d30d1e01b3b8b151631d4.jpg 1,200×1,200 ピクセル Vw super beetle from www.pinterest.com.au

Web for starters, the 1970 vw bug wiring diagram includes two components: Web install the coil with it's mounting bracket to the fan shroud, and plug the wires back into the coil, double checking to make sure the negative and positive wires go to. Web first, we need to discuss a few basics regarding vw wiring.

Buy Turn Signal Wiring Kit On Ebay.


You'll need to check the. Web install the coil with it's mounting bracket to the fan shroud, and plug the wires back into the coil, double checking to make sure the negative and positive wires go to. The main harness runs from the battery to.

The First Step In Understanding.


Vw beetle hot rod wiring harness turn signal switches and relays volkswagen. If you have spent any amount of time looking at a vw wiring schematic, you will notice that red is used for. Web for starters, the 1970 vw bug wiring diagram includes two components:

Web 52 Products Found Wiring Works Vw Wiring Main Looms And Vw Wiring Harness Kits Wiring Works Makes High Quality Exact Reproduction Of Original German Vw Wiring.


Web first, we need to discuss a few basics regarding vw wiring. Weather proof fusebox that contains all of the key fuses including radiator fan and fuel pumps. 147k views 7 years ago jbugs 1969 vw beetle restoration series.

A Main Harness And A Separate Ground Wire.


Circuit breaker and battery connect to tie into the alternator. Web wire size conversion table (mm to usa awg) the numbers used in vw wiring diagrams are the cross sectional area of the wires in millimeters (mm) squared (left column below). Web in this article, we'll cover the basics of the 1970 vw bug wiring diagram, from the vehicle's lights to the starter and charging systems.

$11.25 Expected In 3 Weeks Add To Cart Grommet 28Mm.


Here’s a look at how to decode the. Web what causes fuses to blow? Web +10 vw bug turn signal wiring kit rear ideas.